Produktvorteile
- Lösbare Befestigung
- (De-)Montage ohne Werkzeug möglich
- Temperaturbereich: -40 °C bis +85 °C
- Brennbarkeitsklasse: UL94-V2
- Mit Rast- und Schnappkopf
- Miniaturausführung
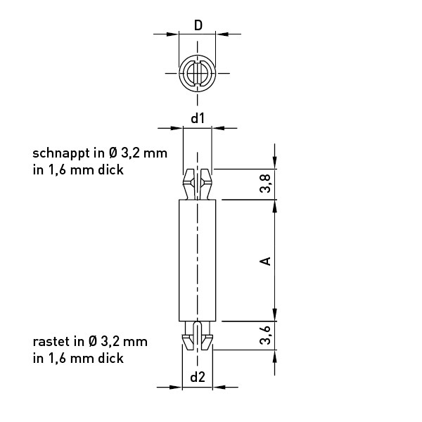
Technische Details
- Material: Polyamid 6.6 natur
- Leiterplattendicke: 1,6 mm
- Trägerplattendicke: 1,6 mm
- Bohrung Ø 3,2 mm schnappend
- Bohrung Ø 3,2 mm einrastend

Gerne unterstützen wir Sie dabei, das richtige Produkt für Ihr individuelles Projekt zu finden. Schreiben Sie uns einfach eine E-Mail!