Zum Hauptinhalt springen Zur Suche springen Zur Hauptnavigation springen
Ihr Großhändler für Befestigungstechnik und Elektromechanik.

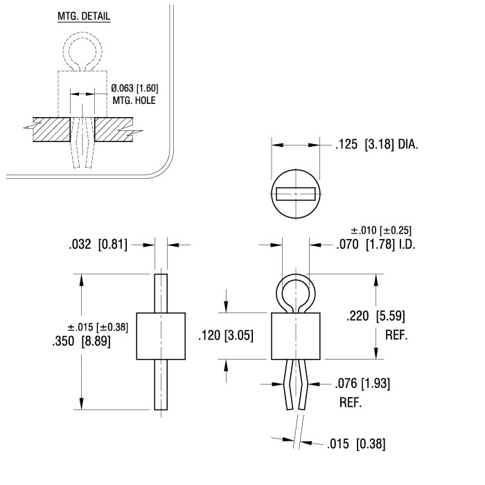
Testpunkt THM Ø1,8 orange Phosphorbronze versilbert

Konformitäten

SVHC Liste: Besonders besorgniserregende Stoffe (251) REACh Registrierung, Bewertung, Zulassung und Beschränkung von Chemikalien 1907/2006 Richtlinie 2011/65/EU RoHS II + 2015/863/EU RoHS III
  • SVHC Liste: Besonders besorgniserregende Stoffe (251)
  • REACh Registrierung, Bewertung, Zulassung und Beschränkung von Chemikalien 1907/2006
  • Richtlinie 2011/65/EU RoHS II + 2015/863/EU RoHS III
Im Katalog anzeigen

Downloads

Artikeldatenblatt (pdf)
Testpunkt THM Ø1,8 orange Phosphorbronze versilbert Artikelfoto (PNG) 70.3 KB
Testpunkt THM Ø1,8 orange Phosphorbronze versilbert Technische Skizze (JPG) 70.1 KB